产品描述
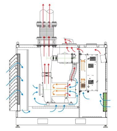
对于以小体积需要获得较大动力的涡轮机械高速电动马达而言,冷却功能对电动马达的输出和寿命起到绝大影响。因此必须根据容积和用途适当地采用冷却方式。TurboMAX的高速电动马达利用吸入进来的空气进行冷却,不需要额外的冷却系统。被吸入进来的空气将通过连在电动马达上的冷却风扇,此时大量空气通往电动马达内部冷却片(Cooling fin)和空气间隙,使整个电动马达有效冷却。
利用吸入的空气与发动机轴相连的冷却风扇,将吸入的空气通过发动机的冷却销(Cooling fin)和气缸方向,使大量空气流过,发动机整体便有效冷却。
| 空气冷却系统 300马力以下型号 | 水冷系统 350马力以上型号 |
|
|
为了配套系统内的高效冷却,采用自然循环吸入空气 的冷却通道设计技术,有效冷却像变频驱动器(VFD) 一样控制高度电动马达的电子设备,提高设备耐久性。 这种无油冷却系统正是TurboMAX核心技术。 | 采用闭路冷却系统(Closed loop cooling system), 不需要与外部相连的额外冷却管线,也不需要冷却水供 应设备。并且将吸进来的空气通过散热器来冷却水,因 此也不需要额外的冷却风扇。 |

